Troy Bilt Squall 521 . Troy Bilt 521 Squall 5HP 21" Walk Behind (2004) 31AE285063 (2004 This video will help you troubleshoot your fuel-line replacement repairs Troy-Bilt Squall 521 Operator's Manual (32 pages) Troy-bilt single-stage snow thrower operator's manual
TroyBilt Squall 210 21" Snow Blower Everything But The House from www.ebth.com
Table of Contents Assembly & Set-Up Controls & Features Operation Maintenance & Adjustment Service Replacement Parts Repair Guides for Troy-Bilt Squall 5HP 21" Walk-Behind 521 (2003) How to Replace the Fuel Filters in Your Outdoor Power Equipment
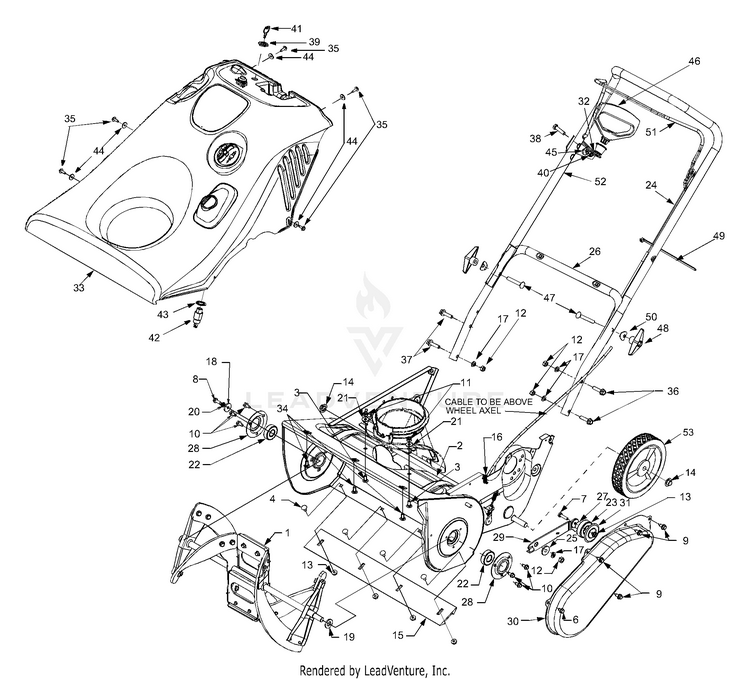
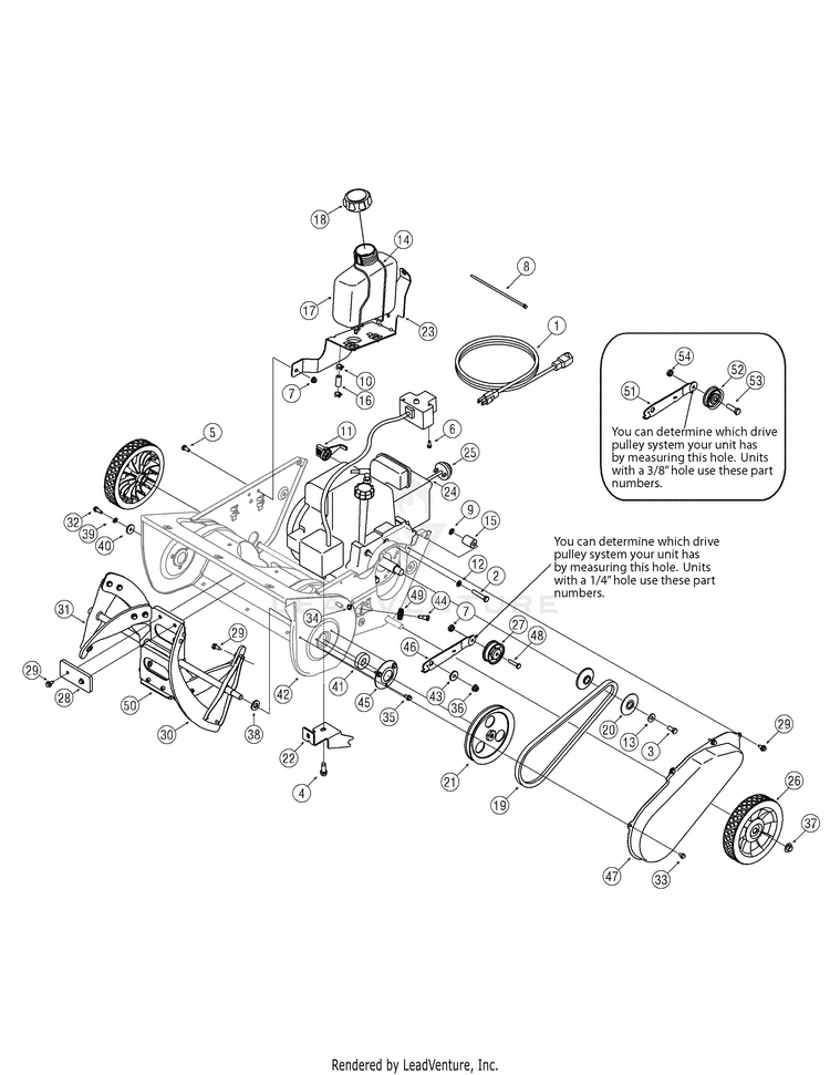
TroyBilt Squall 210 21" Snow Blower Everything But The House Table of Contents Assembly & Set-Up Controls & Features Operation Maintenance & Adjustment Service Replacement Parts Repair parts and diagrams for 521 (31AS2B5-711) - Troy-Bilt Squall 21" Snow Thrower (2007) The Right Parts, Shipped Fast! Reviews. Our Part Finder makes it easy to find and purchase the parts and attachments you need for your Troy-Bilt Outdoor Power Equipment
Source: www.partswarehouse.com TroyBilt 521 Squall 5hp 21" 31AE285101, 31AE285063 '04 Snow Thrower , Lawn and Garden readers have rated MTD Troy Bilt Squall 521 Snow Blower Owners Manual 5.0 out of 5.0 based on 1 product reviews Repair Guides for Troy-Bilt Squall 5HP 21" Walk-Behind 521 (2003) How to Replace the Fuel Filters in Your Outdoor Power Equipment
Source: www.youtube.com TroyBilt Squall 521 snowthrower YouTube , This document provides safety instructions and operating instructions for the Squall 521 single-stage snow thrower Troy bilt squall 521 OpMan (EN) - Free download as PDF File (.pdf), Text File (.txt) or read online for free
Source: www.partswarehouse.com TroyBilt 521 Squall 5hp 21" 31AE285063 '03 Snow Thrower , This document provides safety instructions and operating instructions for the Squall 521 single-stage snow thrower Warning: This unit is equipped with an internal combustion engine and should not be used on or near any unimproved forest-covered, brush- covered or grass.
Source: filemanual.com MTD Troy Bilt Squall 521 Snow Blower Owners Manual , Our Part Finder makes it easy to find and purchase the parts and attachments you need for your Troy-Bilt Outdoor Power Equipment Warning: This unit is equipped with an internal combustion engine and should not be used on or near any unimproved forest-covered, brush- covered or grass.
Source: www.scribd.com Troy Bilt Squall 521 OpMan (EN) PDF Belt (Mechanical) Carburetor , Our Part Finder makes it easy to find and purchase the parts and attachments you need for your Troy-Bilt Outdoor Power Equipment Warning: This unit is equipped with an internal combustion engine and should not be used on or near any unimproved forest-covered, brush- covered or grass.
Source: www.ebth.com TroyBilt Squall 210 21" Snow Blower Everything But The House , Page 1 Safe Operation Practices • Set-Up • Operation • Maintenance • Service • Troubleshooting • Warranty ' peratOr anual Single-Stage Snow Thrower — Squall 521 WARNING READ AND FOLLOW ALL SAFETY RULES AND INSTRUCTIONS IN THIS MANUAL BEFORE ATTEMPTING TO OPERATE THIS MACHINE. Troy-Bilt Squall 521 Operator's Manual (32 pages) Troy-bilt single-stage snow thrower operator's manual
Source: www.ebay.com TroyBilt Squall 21 in. 179 cc SingleStage Gas Snow Blower with , Troy-Bilt Squall 521 Operator's Manual (32 pages) Troy-bilt single-stage snow thrower operator's manual Our Part Finder makes it easy to find and purchase the parts and attachments you need for your Troy-Bilt Outdoor Power Equipment
Source: www.snowblowerforum.com 521 Squall Paddles? Snowblower Forum Snow Blower Forums , This document provides safety instructions and operating instructions for the Squall 521 single-stage snow thrower Repair parts and diagrams for 521 (31AS2B5-711) - Troy-Bilt Squall 21" Snow Thrower (2007) The Right Parts, Shipped Fast! Reviews.
Source: www.ebay.com Gas Tank Fuel Cap For Troy Bilt Squall 521 5521 Snow Blower Throwers , Warning: This unit is equipped with an internal combustion engine and should not be used on or near any unimproved forest-covered, brush- covered or grass. Repair Guides for Troy-Bilt Squall 5HP 21" Walk-Behind 521 (2003) How to Replace the Fuel Filters in Your Outdoor Power Equipment
Source: myfleetilhy.pages.dev 28+ Troy Bilt Squall 210 Parts HuzaifaAdley , Find a Service Center near you and view manuals or diagrams Warning: This unit is equipped with an internal combustion engine and should not be used on or near any unimproved forest-covered, brush- covered or grass.
Source: www.rollerauction.com TroyBilt Squall 521 Snowblower, Gas, Single Stage, Electric Strat , This document provides safety instructions and operating instructions for the Squall 521 single-stage snow thrower Troy-Bilt Squall 521 Operator's Manual (32 pages) Troy-bilt single-stage snow thrower operator's manual
Source: www.partswarehouse.com TroyBilt 521 Squall 5hp 21" 31AE285063 '03 Snow Thrower , Find a Service Center near you and view manuals or diagrams This document provides safety instructions and operating instructions for the Squall 521 single-stage snow thrower
Source: www.partswarehouse.com TroyBilt 521 Squall 5.5hp 21" 31AS2B5711 31AS2B5766 (20052) Snow , Repair parts and diagrams for 521 (31AS2B5-711) - Troy-Bilt Squall 21" Snow Thrower (2007) The Right Parts, Shipped Fast! Reviews. This document provides safety instructions and operating instructions for the Squall 521 single-stage snow thrower
Source: discounttoday.net TroyBilt Squall 208E Squall 21 in. 208 cc Electric Start SingleStage , Table of Contents Assembly & Set-Up Controls & Features Operation Maintenance & Adjustment Service Replacement Parts Page 1 Safe Operation Practices • Set-Up • Operation • Maintenance • Service • Troubleshooting • Warranty ' peratOr anual Single-Stage Snow Thrower — Squall 521 WARNING READ AND FOLLOW ALL SAFETY RULES AND INSTRUCTIONS IN THIS MANUAL BEFORE ATTEMPTING TO OPERATE THIS MACHINE.
Source: www.ebay.com TroyBilt Squall 21 in. 179 cc SingleStage Gas Snow Blower with , It discusses [1] safe operation practices to avoid injury, [2] how to assemble and set up the machine, [3] how to operate the controls and features, [4] how to operate. Page 1 Safe Operation Practices • Set-Up • Operation • Maintenance • Service • Troubleshooting • Warranty ' peratOr anual Single-Stage Snow Thrower — Squall 521 WARNING READ AND FOLLOW.
TroyBilt Squall 521 Snow Blower Thrower Carburetor MowerDeckPartsPlus . Repair Guides for Troy-Bilt Squall 5HP 21" Walk-Behind 521 (2003) How to Replace the Fuel Filters in Your Outdoor Power Equipment Quick Fix: How to Replace the Spark Plug in a Small Engine.
TroyBilt Squall 210 21" Snow Blower Everything But The House . Repair parts and diagrams for 521 (31AS2B5-711) - Troy-Bilt Squall 21" Snow Thrower (2007) The Right Parts, Shipped Fast! Reviews. Repair parts and diagrams for 521 - Troy-Bilt Squall 21" Snow Thrower